|
11-11-2025, 10:17
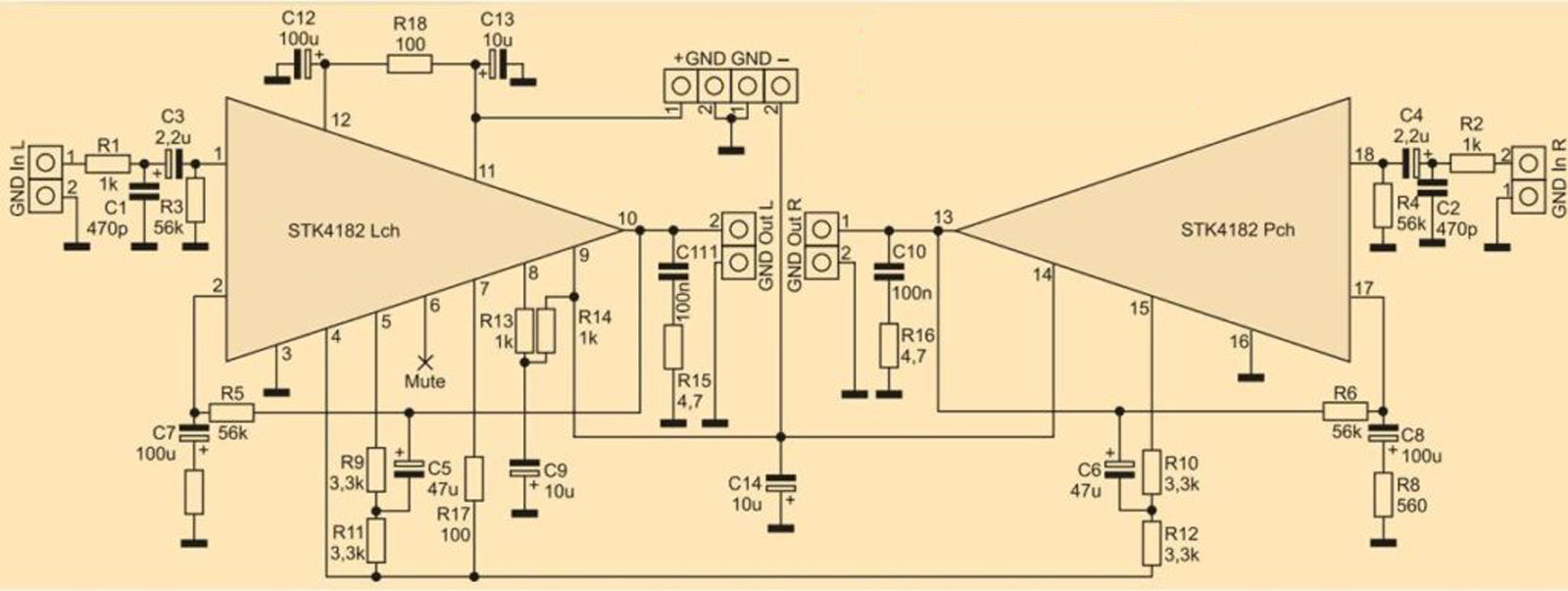
Приветствую, друзья. В статье представлен проект стереофонического усилителя с выходной мощностью 45W + 45W при питании ±33,5V на нагрузку 8 Ом, построенного на микросхеме SANYO STK4182II, остальные технические характеристики переписывать нет необходимости, подробности сможете посмотреть в файле STK4182II datasheet, который найдёте в архиве от этой статьи. Принципиальная схема взята из заводского описания: Печатная плата в этом проекте односторонняя, размер 90 x 37 mm, компоновка элементов на плате такая: Список элементов: - U1 - STK4182II - 1 шт. - R1, R2 — 1k/0,25W - 2 шт. - R3, R4, R5, R6 — 56k/0,25W - 4 шт. - R7, R8 — 560R/0,25W - 2 шт. - R9, R10 — 3k3/0,25W - 2 шт. - R11, R12 — 3R3/1W - 2 шт. - R13, R14 — 1k/1W - 2 шт. - R15, R16 — 4R7/1W - 2 шт. - R17 — 100R/1W - 1 шт. - R18 — 100R/0,25W - 1 шт. - C1, C2 — 470pF/50V - 2 шт. - C3, C4 — 2,2uF/63V электролит - 2 шт. - C5, C6 — 47uF/63V электролит - 2 шт. - C7, C8, C12 — 100uF/35V электролит - 3 шт. - C9, C13, C14 — 10uF/63V электролит - 3 шт. - C10, C11 — 100n/50V - 2шт. - Клеммник 2 Pin 5 mm - 2 шт. - Клеммник 3 Pin 5 mm - 1 шт. - Клеммник 2 Pin 2,54 mm - 2 шт. В архиве - принципиальная схема, печатная плата LAY6 формата, STK4182II datasheet, сопутствующие изображения. Удачной сборки. Размер архива - 0,6 Mb.
Понравилась новость? Не забудь поделиться ссылкой с друзьями в соцсетях.
Информация Посетители, находящиеся в группе Гости, не могут оставлять комментарии к данной публикации. |



