|
28-03-2026, 07:35
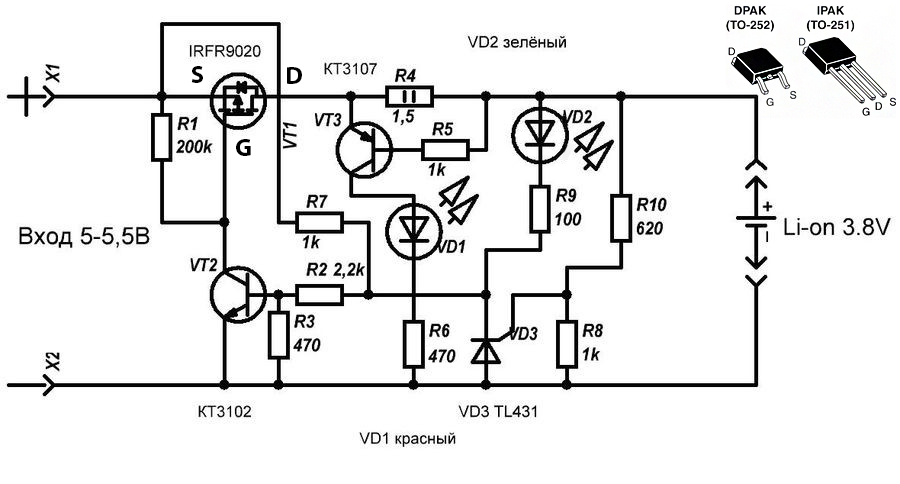
Приветствую, друзья. Этот проект зарядного устройства для Li-ion аккумуляторов мне прислал один из наших друзей, он собрал и протестировал это устройство, результат понравился. Схема не сложная, плата односторонняя, по деталям вполне доступная, в дополнительных настройках не нуждается, и если всё собрано без соплей и из исправных элементов - работает сразу. И так, принципиальная схема: В схеме применен P-Channel MOSFET IRFR9020, пара отечественных транзисторов типа КТ3107 / КТ3102, управляемый стабилитрон TL431, пара светодиодов в качестве индикации. Запитать схему можно практически от любого блока питания с выходным напряжением 5...5,5 Вольт. IRFR9020 припаивается со стороны дорожек. Печатная плата зарядного устройства односторонняя, размер 65 x 23 mm. Плата, как говорится, проверена в железе, работает отлично. Компоновка элементов на плате показана ниже: Список элементов: - VT1 - P-Channel MOSFET IRFR9020 - 1 шт. - VT2 - КТ3102 - 1 шт. - VT3 - КТ3107 - 1 шт. - VD1 - красный светодиод 5 mm - 1 шт. - VD2 - зелёный светодиод 5 mm - 1 шт. - VD3 - TL431 - 1 шт. - R1 - 200k / 0,25W - 1 шт. - R2 - 2k2 / 0,25W - 1 шт. - R3, R6 - 470R / 0,25W - 2 шт. - R4 - 1R5 / 2...3W - 1 шт. - R5, R7, R8 - 1k / 0,25W - 3 шт. - R9 - 100R / 0,25W - 1 шт. - R10 - 620R / 0,25W - 1 шт. - Клеммник 2Pin 5 mm - на ваше усмотрение. Собранная и проверенная плата выглядит следующим образом: Удачного повторения. Размер архива - 2,2 Mb.
Понравилась новость? Не забудь поделиться ссылкой с друзьями в соцсетях.
Информация Посетители, находящиеся в группе Гости, не могут оставлять комментарии к данной публикации. |



