|
24-09-2025, 07:25
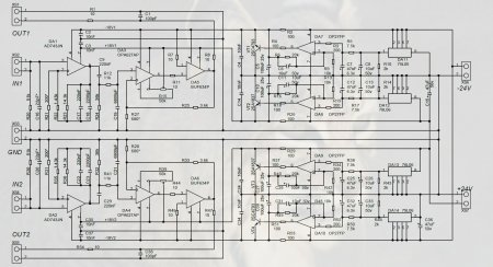
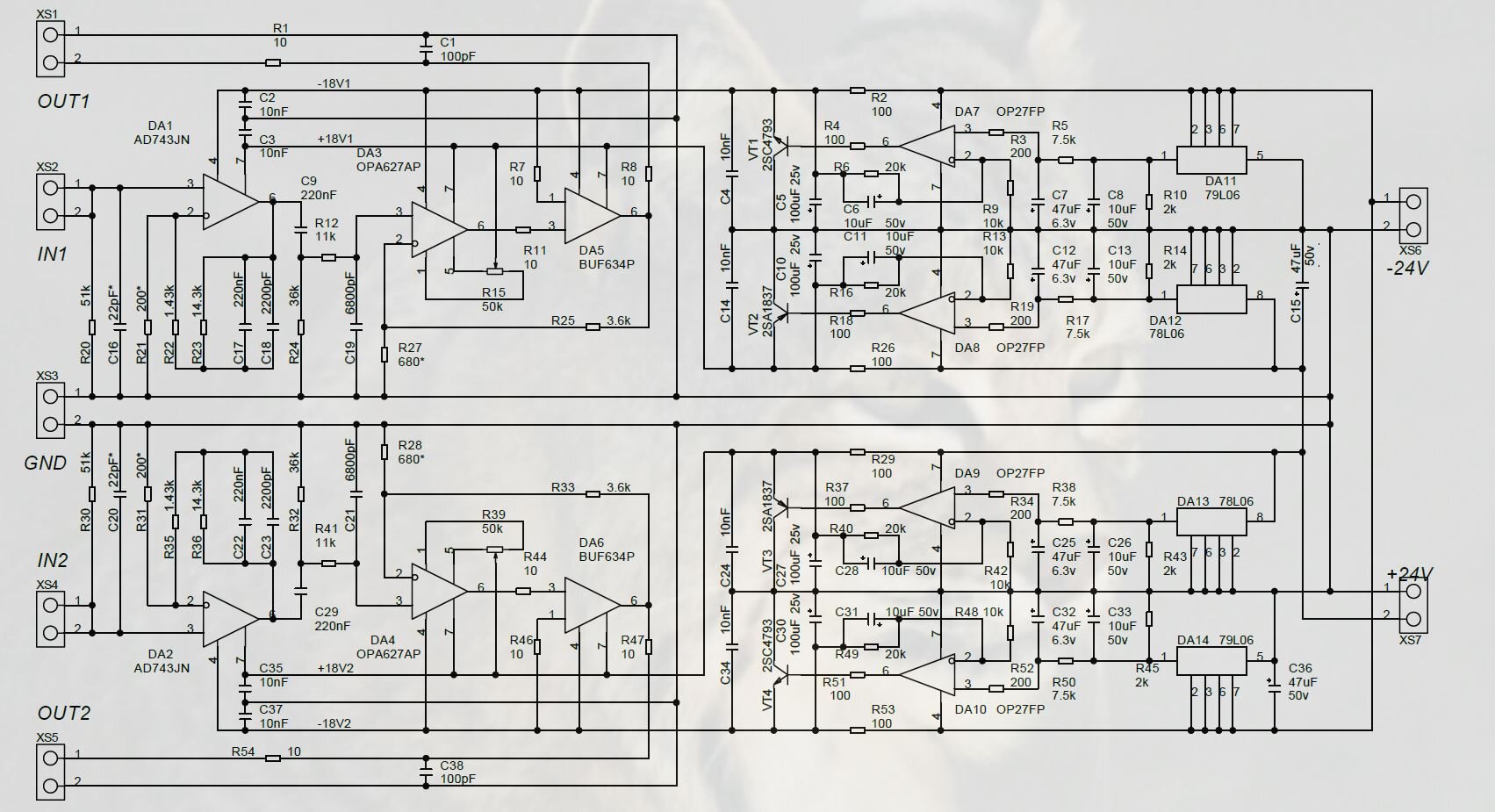
Приветствую, друзья. На сей раз попался мне на глаза документ в формате PDF под названием "Усилитель - корректор для звукоснимателя с подвижным магнитом Lynx04A". 6 листов авторского описания я вам пересказывать не буду, сами прочитаете, приведу лишь принципиальную схему, и покажу нарисованные мной печатные платы LAY6 формата, их в этом проекте две, потому что я решил сам корректор и блок питания для него реализовать по отдельности. Принципиальных схем я вам покажу тоже две, первая из документа PDF, вторая взаимствована на каком то сайте, где в статье пользователь рассказывает о переделке своего проигрывателя Арктур-006, по сути эти схемы похожи: Печатные платы я решил делать односторонние, их легче ЛУТом изготовить, корректор уместился в размер 92 x 66 mm, плата блока питания в размер 145 x 70 mm. Ниже показана компоновка элементов : Список элементов для платы корректора: - DA1, DA2 - AD743JN - 2 шт. - DA3, DA4 - OPA627AP - 2 шт. - DA5, DA6 - BUF634P - 2 шт. (с небольшими радиаторами) - R1, R7, R8, R11, R44, R46, R47, R54 - 10R/0,25W - 8 шт. - R20, R30 - 51k/0,25W - 2 шт. - R21, R31 - 200R/0,25W - 2 шт. - R22, R35 - 1k43/0,25W - 2 шт. - R23, R36 - 14k3/0,25W - 2 шт. - R24, R32 - 36k/0,25W - 2 шт. - R25, R33 - 3k6/0,25W - 2 шт. - R12, R41 - 11k/0,25W - 2 шт. - R27, R28 - 680R*/0,25W - 2 шт. - R15, R39 - TrimPot 50k - 2 шт. - Резистор 10k/0,25W - 2 шт. - Резистор 20k/0,25W - 2 шт. - C1, C38 - 100pF/50V - 2 шт. - C2, C3, C35, C37 - 10nF/50V - 4 шт. - C16, C20 - 22...33pF*/50V - 2 шт. - C9, C29, C17, C22 - 220nF/50V - 4 шт. - C18, C23 - 2200pF/50V - 2 шт. - Разъем 2Pin 2,54 mm - 6 шт. - Разъем 3Pin 2,54 mm - 2 шт. Список элементов для платы блока питания: - DA7, DA8, DA9, DA10 - OPA27FP - 4 шт. - DA11, DA14 - стабилизатор 79L06 - 2 шт. - DA12, DA13 - стабилизатор 78L06 - 2 шт. - VT1, VT4 - 2SC4793 - 2 шт. - VT2, VT3 - 2SA1837 - 2 шт. - Транзистор КТ3102 - 1 шт. - Диод SR1100 - 5 шт. - Диод 1N4148 - 3 шт. - Светодиод 5 mm - 1 шт. - R2, R26, R29, R53 - 100R/5W - 4 шт. - R3, R19, R34, R52 - 200R/0,25W - 4 шт. - R4, R18, R37, R51 - 100R/0,25W - 4 шт. - R5, R17, R38, R50 - 7k5/0,25W - 4 шт. - R6, R16, R40, R49 - 20k/0,25W - 4 шт. - R9, R13, R42, R48 - 10k/0,25W - 4 шт. - R10, R14, R43, R45 - 2k/0,25W - 4 шт. - Резистор 1k5/0,25W - 1 шт. - Резистор 5k1/0,25W - 1 шт. - Резистор 51k/0,25W - 1 шт. - C4, C14, C24, C34 - 10nF/50V - 4 шт. - C5, C10, C27, C30 - 100uF/50V электролит - 4 шт. - C6, C8, C11, C13, C26, C28, C31, C33 - 10uF/50V электролит - 8 шт. - C7, C12, C25, C32 - 47uF/6,3V электролит - 4 шт. - Конденсатор 100n/50V - 2 шт. - Конденсатор 1000uF/50V электролит - 8 шт. - Предохранитель 1А + колодка - 2 шт. - Радиаторы для VT1, VT2, VT3, VT4 - 4 шт. - Клеммная колодка 3 Pin 5 mm - 3 шт. - Клеммная колодка 2 Pin 5 mm - 1 шт. Статью по второму варианту корректора Lynx04 можете посмотреть по ссылке ниже: Удачной сборки. Размер архива - 6 Mb.
Понравилась новость? Не забудь поделиться ссылкой с друзьями в соцсетях.
Информация Посетители, находящиеся в группе Гости, не могут оставлять комментарии к данной публикации. |



