|
3-10-2025, 10:07
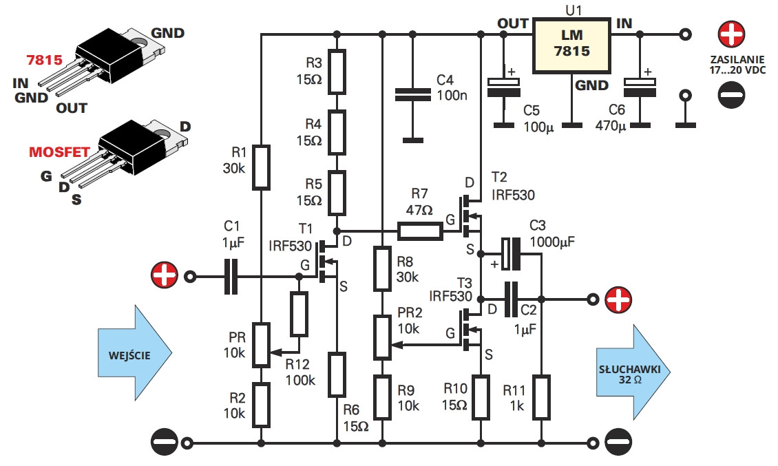
Приветствую, друзья. Ниже в статье представлен материал для сборки усилителя для наушников класса А, в каждом канале имеем по 3 MOSFET транзистора. Схема встречается на некоторых сайтах, но, как я понимаю, она не особо распространена, и на тех сайтах на которых этот проект есть, плата в LAY6 формате отсутствует, поэтому далее я вам приведу лейку, сделанную по картинке, скачанной из сети, эта плата одного канала усилителя, а так же вариант двухканальной платы от Сергея с моей доработкой. И так принципиальная схема "Mosfet class A headphone amplifier": Описание схемы и настройка будут в архиве, поэтому на этом я останавливаться не вижу смысла, напишу лишь то, что кроме IRF530, указанных в принципиальной схеме, можно использовать IRF540, IRF630, IRF640, или попробовать такие как BUZ10 или BUZ11. Плата, нарисованная по картинке из сети односторонняя, размер 64 x 35 mm, компоновка элементов на плате следующая: Далее показана плата на два канала от Сергея с моей доработкой, она тоже односторонняя, размер 70 x 69 mm, выглядит так: Обращаю внимание, на второй печатной плате вместо LM7815 в блоке питания поставлен стабилизатор LM317 по типовому включению, поэтому не нужно писать что плата не соответствует принципиальной схеме, так же на плате было решено применить многооборотные подстроечные резисторы типа 3296, с ними легче произвести настройку. А настройка заключается в том, чтобы выставить падение напряжения на резисторах R6 и R10 (согласно принципиальной схемы) в районе 1,2...1,6 Вольта. Изначально перед включением питания выверните все подстроечники в сторону точек, нарисованных у каждого с одной стороны (смотрите слой шелкографии), подключите щупы мультиметра к выводам указанных постоянных резисторов по очереди, и выкрутите подстроечники пока мультиметр будет показывать нужные значения. Сергей собирал этот УНЧ по двухканальной версии платы, и вот что он пишет: - Убрал совсем конденсатор 1 мкФ который шунтировал выходной электролит, с ним жестко звучит (на плате уже убран), резисторы которые последовательно по 15 Ом заменил на два двухваттника по 91 Ом (грелись очень), и остальные резисторы по 15 Ом поставил на 1 Ватт (просто грелись). И еще желательно подстроечники многооборотные (на плате уже поставлены), хотя и такие пойдут, но как-то немного с трудом выставлялись напряжения. Решил восстановить проект еще потому, что хорошее звучание, очень мягкое, наверное, как ламповое. Лампы не слушал, но подозреваю, что звучат они именно так. Не понимаю, почему люд собирает какие-то навороченные усилители по 30 транзисторов на канал, а звук так себе (пару таких схем собирал), просто чистый и «холодный» звук и всё, ничего особенного, и печаток завались, а на простые схемы с шикарным звучанием ни печаток и ничего вообще. Несколько фото от Сергея: Список элементов согласно двухканальной печатной платы: - T1, T2, T3 - IRF530 - 6 шт. - U1 - LM317 - 2 шт. - R1, R8 - 30k/0,25W - 4 шт. - R2, R9 - 10k/0,25W - 4 шт. - R6, R10 - 15R/0,5W - 4 шт. - R3, R4, R5 - 91R/2W (по 2 в параллель) - 4 шт. - R7 - 47R...51R/0,25W - 2 шт. - R11 - 1k/0,25W - 2 шт. - R12 - 100k/0,25W - 2 шт. - PR1, PR2 - TrimPot 3296 - 10k - 4 шт. - R для LM317 - 220R/0,25W - 2 шт. - R для LM317 - 2k4/0,25W - 2 шт. - C1 - 1uF NP MKT - 2 шт. - C2 - 1uF NP MKT - на двухканальной плате не установлен. - C3 - 1000uF/16V электролит - 2 шт. - C4 - 100nF/50V - 2 шт. - C5 - 100uF/25V электролит - 2 шт. - C6 - 220...470uF/25V электролит - 2 шт. - Клеммник типа DG301 3 Pin 5 mm (OUTPUT) - 1 шт. - Клеммник типа KF120 3 Pin 2,54 mm (INPUT) - 1 шт. - Клеммник типа DG301 2 Pin 5 mm (POWER) - 2 шт. Удачного повторения. Размер архива - 4,4 Mb.
Понравилась новость? Не забудь поделиться ссылкой с друзьями в соцсетях.
Информация Посетители, находящиеся в группе Гости, не могут оставлять комментарии к данной публикации. |



